





Bočni majica koristi se za promjenu smjera tekućine ili plinske tekućine, koji prolaze kroz cijev. Ima mogućnost smanjenja turbulencije i trenja, povećavajući na taj način protok tekućine.
Ova vrsta tinejdžera posebno je korisna u scenarijima u kojima protok treba preusmjeriti pod kutom, a istovremeno prelazi na manju veličinu cijevi. Nalazi primjenu u industrijama i sustavima gdje distribucija tekućine ili plina zahtijeva promjene promjera cijevi, zajedno s bočnim grananjem. Bočno smanjenje majice olakšava gladak prijelaz između cijevi različitih veličina, a istovremeno učinkovito kontrolira smjer protoka.
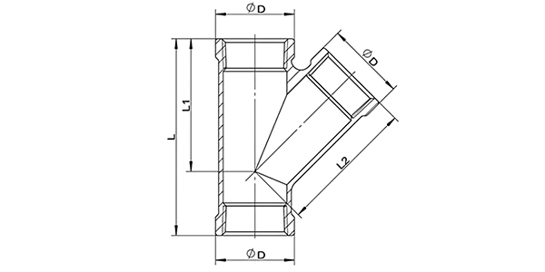
Bočni tinejdžer je jedna vrsta ugradnje, koja ima granu od 45 stupnjeva od cjevovoda. Pri postavljanju bočnih majica s cijevima, zavarivači moraju zabilježiti protok. Jer do glavne cijevi za trčanje, grana je 45 stupnjeva i kut od 135 stupnjeva. Zbog posebnog oblika i smjera grane, bočna majica izrađena je od dva komada cijevi, a zatim spojena zajedno.
Bočni priključci cijevi za tinejdžere imaju neke značajke poput: visoki otpor na vodu, izdržljivost, otpornost na koroziju, jednostavnu instalaciju itd. U uvjetima visoke temperature i tlaka, može održavati točne dimenzije, antikorozije itd. .
Uvod
| Bočna majica | |
| Artikal | Nehrđajući čelik navojna bočna majica |
| Standard | ASME / ANSI - B 16.9, ASTM A403 - ASME SA403, ASME B16.9, ASME B16.25, ASME B16.28, MSS SP -43 |
| Materijal | Nehrđajući čelik: 304, F304 (S30408), F316 (S31608), F321 (S32168), 304L (S30403), F316L (S31603), 316L (High Mo), 002, F5, F51, F51, F316H (S31609), F321H (S32169), F321H Low S.P, M-400, F53, 316ti, 317, 317L, 347, 347H (S34779), 310S, F304 S.P, 304L, F3, F3, F31, F31, F304, F304, F304, F31 S.P, F31, F31, F31, F31, F31, F31 S.P, F31, F304, F304, F304, F304, niska S.p, niska S.P, F31, niska s.p, 310s, niska S.p, niska S.p, f31, niska S.p, niska S.p, niska S.p, niska S.p, niska s.p, f31 niska. |
| Površinski | CS-galvanizirano ili crno fosfatiranje, OI otporan na hrđu, SS-ubrani i žarkiran, poliran, pucan |
| Tip | Precizno lijevanje |
| veličina | 1/4 "-2", prihvatite prilagodbu |
| Vrijeme isporuke | U roku od 5-30 dana nakon primanja unaprijed plaćenog |
| Pakiranje | Površina proizvoda omotana je plastičnim filmom ili papirnim papirom, a oba kraja su pokrivena radi zaštite. |
| Prijava | Nafta, kemijska, stroj, kotlov, električna, brodogradnja itd. |
| Veličina | Dn | Φd | L | L1 | L2 |
| 1/4 " | 8 | 18.0 | 55.0 | 32.5 | 33.0 |
| 3/8 " | 10 | 21.5 | 60.0 | 38.0 | 38.5 |
| 1/2 " | 15 | 26.5 | 65.0 | 45.5 | 46.5 |
| 3/4 " | 20 | 32.0 | 80.0 | 54.0 | 55.5 |
| 1 " | 25 | 39.5 | 90.0 | 65.0 | 66.0 |
| 1 1/4 " | 32 | 48.5 | 104.0 | 75.0 | 76.0 |
| 1 1/2 " | 40 | 55.0 | 120.0 | 88.0 | 88.0 |
| 2 " | 50 | 67.0 | 138.0 | 105.0 | 107.0 |
Osnovan 2007. godine i preselio se u Zonu ekonomskog razvoja Longyou, provinciju Zhejiang, 2022. godine pokriva površinu od 130 000 četvornih metara, više od 30 proizvodnih linija, 300 radnika, 20 ljudi za istraživanje i razvoj, 30 inspekcijskih ljudi i godišnju proizvodnju od 50 000 tona.
Prošao je ISO9001: 2008 sustav upravljanja kvalitetom, PED 97/23/EC EU Certification Certification Certification, Kina posebna oprema za proizvodnju (tlak cijev) TS Certifikacija, certifikat ASME, sustav upravljanja standardizacijom pokrajinskih poduzeća, ISO14000: 2004 Upravljanje okolišem, čistim proizvođačem (Aps As As Certiss As Certiss of Centiss of Centiss, a i niz certifikata o certifikatu, i niz certifikata o cilju, ass i cirjs. Dostava (LR), Deutsche Veritas (GL), Bureau Veritas Society (BV), Det Norske Veritas (DNV) i Korejski registar otpreme (KR) tvornički certifikat.
Glavni proizvodi uključuju cijevi od nehrđajućeg čelika, cijevi za cijev, prirubnice, ventile itd., Koji se široko koriste u nafti, kemijskoj industriji, nuklearnoj industriji, topljenju, brodogradnji, farmaceutskim proizvodima, hrani, očuvanju vode, električnom energijom, novom energijom, mehaničkom opremom i drugim poljima. Tvrtka se pridržava korporativnog načela "Kvaliteta za preživljavanje, reputaciju razvoja" i svesrdno služi svakom kupcu kako bi stvorio situaciju s win-win.





Masena gustoća mekog čelika: osnove i praktična važnost Masena gustoća mekog čelika temeljno je svojstvo koje izravno utječe na to kako inženjeri i dizajneri dimenzioniraju komponente, procjenju...
Pogledajte višeUvod u niskolegirani čelični materijal Niskolegirani čelični materijal je vrsta čelika koji uz ugljik sadrži mali postotak legirajućih elemenata, obično manji od 8%. Ovi elementi, kao što su kro...
Pogledajte višePregled — što znači "težina po kubnom inču" za nehrđajući čelik "Težina po kubičnom inču" jednostavno je masa (u funtama) jednog kubičnog inča materijala. Za nehrđajući čelik to ovisi o sastavu ...
Pogledajte višeNikada nećemo podijeliti vašu adresu e -pošte i vas
Možemo se isključiti u bilo kojem trenutku, obećavamo.