





Križ je vrsta cijevi koje ima četiri otvora na jednoj vezi. Umjeravanje izgleda poput križa i povezuje četiri različite cijevi u jednu točku. Obično ima utičnice zavarene otapalom ili krajeve ženke.
Jednako ugradnje križa je križ sa sva četiri otvora koji imaju isti promjer i spajaju se i na četiri cijevi istog promjera.
Prekriženi cijevi priključci koriste se za povezivanje cijevi i promjenu ili upravljanje protokom kroz cjevovodni sustav. Njegove dimenzije igraju važnu ulogu u odlučivanju o snazi i stabilnosti. Kad su cijevi iste veličine spojene i tekućine teče iz jednog smjera, bit će podijeljene u tri smjera. Umjeravanje poprečne cijevi podložna će se velikim problemima s pritiskom kada tekućina teče u tri smjera i očekuje se da će se iseliti u jednom smjeru.
Poprečni cijevi cijevi mogu naglasiti cijevi jer se temperature mijenjaju zbog svoje četverostrane prirode. Stoga se poprečne cijevi uglavnom ne koriste kao hidrauličke komponente cjevovoda. Suprotno tome, tamo gdje toplinsko širenje nije problem, premca su povoljnije.
Uvod
| Jednak križ | |
| Artikal | Nehrđajući čelik jednak križ |
| Standard | ASME: ANSI B16.9, ANSI B16.28, MSS-SP-43 EN: EN10253-1, EN10253-2 DIN: DIN2605, DIN2615, DIN2616, DIN2617, DIN28011 ASME B16.25- Zavarivanje zavarivanja ASME B16.28- Kretni čelik Kratki polumjer laktovi i stražnji zavarivanje povratak MSS SP-43-sprate i kovane priključke stražnjice za koroziju otporne na koroziju, aplikacije niskog tlaka ASTM A403-ASME SA403-specifikacija za kovane austenitne cijevi za cijevi od nehrđajućeg čelika ASME B16,9-zavarivanje zavarivanja |
| Materijal | Nehrđajući čelik, legura čelika, dupleks, legure nikla, čelik niske temperature, ugljični čelik, itd. |
| Površinski | Očašteno i kiselo, vruće pocinčanike, elektro lakira, prozirno ulje, cink ploče, crna boja, laki |
| Tip | Push, Pritisnite, krivotvorite, lijevane itd. |
| veličina | ½ "-48" |
| Vrijeme isporuke | U roku od 5-30 dana nakon primanja unaprijed plaćenog |
| Pakiranje | Smanjina omotana paleta kartona ili u morskoj drvenoj kućici |
| Prijava | Pričvršćivanja za povezivanje cijevi i cijevi u nafti, napajanju, kemijskom, građevinskom, plinu, metalurgiji, brodogradnji itd. |
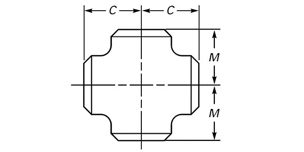
| Nominalna veličina cijevi | Nominalna veličina cijevi | Centar za kraj (u.) | |
| NPS | (u.) | Trčanje, c | Utičnica, m |
| ½ | 0.84 | 1.00 | 1.00 |
| ¾ | 1.05 | 1.12 | 1.12 |
| 1 | 1.32 | 1.50 | 1.50 |
| 1¼ | 1.66 | 1.88 | 1.88 |
| 1,5 | 1.90 | 2.25 | 2.25 |
| 2 | 2.38 | 2.50 | 2.50 |
| 2½ | 2.88 | 3.00 | 3.00 |
| 3 | 3.50 | 3.38 | 3.38 |
| 3½ | 4.00 | 3.75 | 3.75 |
| 4 | 4.50 | 4.12 | 4.12 |
| 5 | 5.56 | 4.88 | 4.88 |
| 6 | 6.62 | 5.62 | 5.62 |
| 8 | 8.62 | 7.00 | 7.00 |
| 10 | 10.75 | 8.50 | 8.50 |
| 12 | 12.75 | 10.00 | 10.00 |
| 14 | 14.00 | 11.00 | 11.00 |
| 16 | 16.00 | 12.00 | 12.00 |
| 18 | 18.00 | 13.50 | 13.50 |
| 20 | 20.00 | 15.00 | 15.00 |
| 22 | 22.00 | 16.50 | 16.50 |
| 24 | 24.00 | 17.00 | 17.00 |
| 26 | 26.00 | 19.50 | 19.50 |
| 28 | 28.00 | 20.50 | 20.50 |
| 30 | 30.00 | 22.00 | 22.00 |
| 32 | 32.00 | 23.50 | 23.50 |
| 34 | 34.00 | 25.00 | 25.00 |
| 36 | 36.00 | 26.50 | 26.50 |
| 38 | 38.00 | 28.00 | 28.00 |
| 40 | 40.00 | 29.50 | 29.50 |
| 42 | 42.00 | 30.00 | 28.00 |
| 44 | 44.00 | 32.00 | 30.00 |
| 46 | 46.00 | 33.50 | 31.50 |
| 48 | 48.00 | 35.00 | 33.00 |
Osnovan 2007. godine i preselio se u Zonu ekonomskog razvoja Longyou, provinciju Zhejiang, 2022. godine pokriva površinu od 130 000 četvornih metara, više od 30 proizvodnih linija, 300 radnika, 20 ljudi za istraživanje i razvoj, 30 inspekcijskih ljudi i godišnju proizvodnju od 50 000 tona.
Prošao je ISO9001: 2008 sustav upravljanja kvalitetom, PED 97/23/EC EU Certification Certification Certification, Kina posebna oprema za proizvodnju (tlak cijev) TS Certifikacija, certifikat ASME, sustav upravljanja standardizacijom pokrajinskih poduzeća, ISO14000: 2004 Upravljanje okolišem, čistim proizvođačem (Aps As As Certiss As Certiss of Centiss of Centiss, a i niz certifikata o certifikatu, i niz certifikata o cilju, ass i cirjs. Dostava (LR), Deutsche Veritas (GL), Bureau Veritas Society (BV), Det Norske Veritas (DNV) i Korejski registar otpreme (KR) tvornički certifikat.
Glavni proizvodi uključuju cijevi od nehrđajućeg čelika, cijevi za cijev, prirubnice, ventile itd., Koji se široko koriste u nafti, kemijskoj industriji, nuklearnoj industriji, topljenju, brodogradnji, farmaceutskim proizvodima, hrani, očuvanju vode, električnom energijom, novom energijom, mehaničkom opremom i drugim poljima. Tvrtka se pridržava korporativnog načela "Kvaliteta za preživljavanje, reputaciju razvoja" i svesrdno služi svakom kupcu kako bi stvorio situaciju s win-win.





Masena gustoća mekog čelika: osnove i praktična važnost Masena gustoća mekog čelika temeljno je svojstvo koje izravno utječe na to kako inženjeri i dizajneri dimenzioniraju komponente, procjenju...
Pogledajte višeUvod u niskolegirani čelični materijal Niskolegirani čelični materijal je vrsta čelika koji uz ugljik sadrži mali postotak legirajućih elemenata, obično manji od 8%. Ovi elementi, kao što su kro...
Pogledajte višePregled — što znači "težina po kubnom inču" za nehrđajući čelik "Težina po kubičnom inču" jednostavno je masa (u funtama) jednog kubičnog inča materijala. Za nehrđajući čelik to ovisi o sastavu ...
Pogledajte višeNikada nećemo podijeliti vašu adresu e -pošte i vas
Možemo se isključiti u bilo kojem trenutku, obećavamo.