





Dugačka prirubnica zavarivanja je specijalizirana komponenta u cjevovodnim sustavima, koja se razlikuje po produženom vratu ili središtu. Zavarene prirubnice za vrat imaju dugački konusni čvorište koje smanjuje njegovu veličinu od cijevi na ugradnju. Ovaj dizajn minimizira koncentraciju stresa, što ga čini idealnim za primjene visokog pritiska i visoke temperature. Prošireni vrat pojačava prirubnicu, promičući čak i raspodjelu stresa i smanjujući rizik od umora. Uz to, sustavi cjevovoda su sigurniji kada su ojačani dugim prirubnicama zavarivanja. Ova vrsta prirubnice pomaže uravnotežiti tlačne i temperaturne promjene u tekućini koja teče u cjevovodu.
Duge prirubnice za zavarivanje favorizirane su u kritičnim industrijskim postavkama zbog poboljšanog strukturnog integriteta. Značajno je da produženi vrat olakšava jednostavne procese zavarivanja i inspekcije. Dosta prostora za zavarivanje osigurava sigurnu vezu, dok produžena duljina pojednostavljuje inspekcije pružajući bolju vidljivost i pristup.
Duge prirubnice za zavarivanje prevladavaju u petrokemijskoj, naftnoj i plin i industriji proizvodnje električne energije, pridonoseći snažnim i pouzdanim cjevovodima. Njihov dizajn osigurava trajnost i sigurnost, čineći ih preferiranim izborom za aplikacije u kojima je performanse najvažnije.
Uvod
| Standard | Ansi B16.5, ANSI B16.47, ANSI B16.36, ANSI B16.48, BS 4504, EN1092, UNI 2277/2278, DIN, JIS, SABS1123, GOST-12820, ETC. |
| Materijal | Nehrđajući čelik: A182 F304, A182F304L, A182 F316, A182 F316L, A182F321, A182 317H, A182316TI, F53, F51 ETC Ugljični čelik: A105, A350LF2 Alloy Steel: A182 F11, A182F22, A182F12, A182 F5, A182F91, A182 F9 itd. |
| Površinski | Tretman protiv rušenja boje, uljna crna boja, žuta prozirna, cink-obložena, hladna i vruća pocinčana pocinčana |
| Tip | Kovanje, CNC obrada |
| veličina | 1/2 "-24" |
| Vrijeme isporuke | U roku od 5-30 dana nakon primanja unaprijed plaćenog |
| Pakiranje | Tretman protiv rušenja boje, uljna crna boja, žuta prozirna, cink-obložena, hladna i vruća pocinčana pocinčana |
| Prijava | Kemijske, naftne mlinice, petrokemijska, rudarska, rafinerija, gradnja, gnojiva, brodogradnja, elektrane, čelične biljke, nuklearna energija, nafta i plin, obrana, papir, pivovare, željeznica, cement i inženjering, itd. |
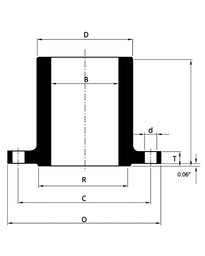
| NPS | Dosadan | Osu | Thk | Osu | Ne. Rupa | Veličina rupe | Krug | Podignuto lice Dia. | Dužina | Težina |
| (u) | B (u) | O (u) | Kositar) | D (u) | (Rupe) | D (u) | C (u) | R (u) | L (u) | (KILO)- |
| ½ | 0.50 | 3.50 | 0.44 | 1.25 | 4 | 0.62 | 2.38 | 1.38 | 9.00 | 1.36 |
| ¾ | 0.75 | 3.88 | 0.50 | 1.62 | 4 | 0.62 | 2.75 | 1.69 | 9.00 | 2.27 |
| 1 | 1.00 | 4.25 | 0.56 | 2.00 | 4 | 0.62 | 3.12 | 2.00 | 9.00 | 3.17 |
| 1 ¼ | 1.25 | 4.26 | 0.62 | 2.38 | 4 | 0.62 | 3.50 | 2.50 | 9.00 | 4.54 |
| 1 ½ | 1.50 | 5.00 | 0.69 | 2.62 | 4 | 0.62 | 3.88 | 2.88 | 9.00 | 5.44 |
| 2 | 2.00 | 6.00 | 0.75 | 3.25 | 4 | 0.75 | 4.75 | 3.63 | 9.00 | 6.81 |
| 2 ½ | 2.50 | 7.00 | 0.88 | 3.75 | 4 | 0.75 | 5.50 | 4.13 | 9.00 | 9.98 |
| 3 | 3.00 | 7.50 | 0.94 | 4.25 | 4 | 0.75 | 6.00 | 5.00 | 9.00 | 11.35 |
| 3 ½ | 3.50 | 8.50 | 0.94 | 4.88 | 8 | 0.75 | 7.00 | 5.50 | 9.00 | 14.52 |
| 4 | 4.00 | 9.00 | 0.94 | 5.50 | 8 | 0.75 | 7.50 | 6.19 | 12.00 | 21.33 |
| 5 | 5.00 | 10.00 | 0.94 | 6.50 | 8 | 0.88 | 8.50 | 7.31 | 12.00 | 25.87 |
| 6 | 6.00 | 11.00 | 1.00 | 7.75 | 8 | 0.88 | 9.50 | 8.50 | 12.00 | 34.05 |
| 8 | 8.00 | 13.50 | 1.12 | 9.75 | 8 | 0.88 | 11.75 | 1063 | 12.00 | 46.30 |
| 10 | 10.00 | 16.00 | 1.19 | 12.00 | 12 | 1.00 | 14.25 | 12.75 | 12.00 | 64.92 |
| 12 | 12.00 | 19.00 | 1.25 | 14.38 | 12 | 1.00 | 17.00 | 15.00 | 12.00 | 93.07 |
| 14 | 14.00 | 31.00 | 1.38 | 16.00 | 12 | 1.12 | 18.75 | 16.25 | 12.00 | 95.79 |
| 16 | 16.00 | 23.50 | 1.44 | 18.00 | 16 | 1.12 | 21.25 | 18.50 | 12.00 | 111.68 |
| 18 | 18.00 | 25.00 | 1.56 | 20.00 | 16 | 1.25 | 22.75 | 21.00 | 12.00 | 122.58 |
| 20 | 20.00 | 25.50 | 1.69 | 22.00 | 20 | 1.25 | 25.00 | 23.00 | 12.00 | 141.19 |
| 24 | 24.00 | 32.00 | 1.88 | 26.25 | 20 | 1.38 | 29.50 | 27.25 | 112.00 | 192.04 |
Klasa 300
| NPS | Dosadan | Osu | Thk | Osu | Ne. Rupa | Veličina rupe | Krug | Podignuto lice Dia. | Dužina | Težina |
| (in) | B (in) | O (u) | Kositar) | D (in) | (Rupe) | D (in) | C (in) | R (in) | L (in) | (KILO)- |
| ½ | 0.50 | 3.75 | 0.56 | 1.50 | 4 | 0.62 | 26.2 | 1.38 | 9.00 | 2.27 |
| ¾ | 0.75 | 4.62 | 0.62 | 1.88 | 4 | 0.75 | 3.25 | 1.69 | 9.00 | 4.08 |
| 1 | 1.00 | 4.88 | 0.69 | 2.12 | 4 | 0.75 | 3.50 | 2.00 | 9.00 | 4.08 |
| 1 ¼ | 1.25 | 5.25 | 0.75 | 2.50 | 4 | 0.75 | 3.88 | 2.50 | 9.00 | 5.90 |
| 1 ½ | 1.50 | 6.12 | 0.81 | 2.75 | 4 | 0.88 | 4.50 | 2.88 | 9.00 | 6.81 |
| 2 | 2.00 | 6.50 | 0.88 | 3.31 | 8 | 0.75 | 5.00 | 3.63 | 9.00 | 9.08 |
| 2 ½ | 2.50 | 7.50 | 1.00 | 3.94 | 8 | 0.88 | 5.88 | 4.13 | 9.00 | 11.35 |
| 3 | 3.00 | 8.25 | 1.12 | 4.62 | 8 | 0.88 | 6.62 | 5.00 | 9.00 | 15.89 |
| 3 ½ | 3.50 | 9.00 | 1.19 | 5.25 | 8 | 0.88 | 7.25 | 5.50 | 9.00 | 19.06 |
| 4 | 4.00 | 10.00 | 1.25 | 5.75 | 8 | 0.88 | 7.88 | 6.19 | 12.00 | 28.14 |
| 5 | 5.00 | 11.00 | 1.38 | 7.00 | 8 | 0.88 | 9.25 | 7.31 | 12.00 | 38.14 |
| 6 | 6.00 | 12.50 | 1.44 | 8.12 | 12 | 0.88 | 10.62 | 8.50 | 12.00 | 47367 |
| 8 | 8.00 | 15.00 | 1.62 | 10.25 | 12 | 1.00 | 13.00 | 10.63 | 12.00 | 67.19 |
| 10 | 10.00 | 17.50 | 1.88 | 12.62 | 16 | 1.12 | 15.25 | 12.57 | 12.00 | 95.34 |
| 12 | 12.00 | 20.50 | 2.00 | 14.75 | 16 | 1.25 | 17.75 | 15.00 | 12.00 | 124.85 |
| 14 | 14.00 | 23.00 | 2.12 | 16.75 | 20 | 1.25 | 20.25 | 16.25 | 12.00 | 147.09 |
| 16 | 16.00 | 25.50 | 2.25 | 19.00 | 20 | 1.38 | 22.50 | 18.50 | 12.00 | 173.41 |
| 18 | 18.00 | 28.00 | 2.38 | 21.00 | 24 | 1.38 | 24.75 | 21.00 | 12.00 | 211.11 |
| 20 | 20.00 | 30.50 | 2.50 | 23.12 | 24 | 1.38 | 27.00 | 23.00 | 12.00 | 249.16 |
| 24 | 24.00 | 36.00 | 2.75 | 27.62 | 24 | 1.62 | 32.00 | 27.25 | 12.00 | 353.21 |
Klasa 400
| NPS | Dosadan | Osu | Thk | Osu | Ne. Rupa | Veličina rupe | Krug | Podignuto lice Dia. | Dužina | Težina |
| (in) | B (in) | O (u) | Kositar) | D (in) | (Rupe) | D (in) | C (in) | R (in) | L (in) | (KILO)- |
| ½ | 0.50 | 3.75 | 0.56 | 1.50 | 4 | 0.62 | 26.20 | 1.38 | 9.00 | 2.27 |
| ¾ | 0.75 | 4.62 | 0.62 | 1.88 | 4 | 0.75 | 3.25 | 1.69 | 9.00 | 3.63 |
| 1 | 1.00 | 4.88 | 0.69 | 2.12 | 4 | 0.75 | 3.50 | 2.00 | 9.00 | 4.08 |
| 1 ¼ | 1.25 | 5.25 | 0.81 | 2.50 | 4 | 0.75 | 3.88 | 2.50 | 9.00 | 5.09 |
| 1 ½ | 1.50 | 6.12 | 0.88 | 2.75 | 4 | 0.88 | 4.50 | 2.88 | 9.00 | 7.266.50 |
| 2 | 2.00 | 6.50 | 1.00 | 3.31 | 8 | 0.75 | 5.00 | 3.63 | 9.00 | 9.08 |
| 2 ½ | 2.50 | 7.50 | 1.12 | 3.94 | 8 | 0.88 | 5.88 | 4.13 | 9.00 | 12.25 |
| 3 | 3.00 | 8.25 | 1.25 | 4.62 | 8 | 0.88 | 6.62 | 5.00 | 9.00 | 16.34 |
| 3 ½ | 3.50 | 9.00 | 1.38 | 5.25 | 8 | 1.00 | 7.25 | 5.50 | 9.00 | 20.04 |
| 4 | 4.00 | 10.00 | 1.38 | 5.75 | 8 | 1.00 | 7.88 | 6.19 | 12.00 | 29.51 |
| 5 | 5.00 | 11.00 | 1.50 | 7.00 | 8 | 1.00 | 9.25 | 7.31 | 12.00 | 39.95 |
| 6 | 6.00 | 12.50 | 1.62 | 8.12 | 12 | 1.00 | 10.62 | 8.50 | 12.00 | 49.94 |
| 8 | 8.00 | 15.00 | 1.88 | 10.25 | 12 | 1.12 | 13.00 | 10.63 | 12.00 | 69.91 |
| 10 | 10.00 | 17.50 | 2.12 | 12.62 | 16 | 1.25 | 15.25 | 12.75 | 12.00 | 98.97 |
| 12 | 12.00 | 20.50 | 2.25 | 14.75 | 16 | 1.38 | 17.75 | 15.00 | 12.00 | 129.39 |
| 14 | 14.00 | 23.00 | 2.38 | 16.75 | 20 | 1.38 | 20.25 | 16.25 | 12.00 | 152.54 |
| 16 | 16.00 | 25.50 | 2.50 | 19.00 | 20 | 1.50 | 22.50 | 18.50 | 12.00 | 189.77 |
| 18 | 18.00 | 28.00 | 2.62 | 21.00 | 24 | 1.50 | 24.75 | 21.00 | 12.00 | 218.82 |
| 20 | 20.00 | 30.50 | 2.75 | 23.12 | 24 | 1.62 | 27.00 | 23.00 | 12.00 | 257.87 |
| 24 | 24.00 | 36.00 | 3.0 | 27.62 | 24 | 1.88 | 32.00 | 27.25 | 12.00 | 365.01 |
Klasa 600
| NPS | Dosadan | Osu | Thk | Osu | Ne. Rupa | Veličina rupe | Krug | Podignuto lice Dia. | Dužina | Težina |
| (in) | B (in) | O (u) | Kositar) | D (in) | (Rupe) | D (in) | C (in) | R (in) | L (in) | (KILO)- |
| ½ | 0.50 | 3.75 | 0.56 | 1.50 | 4 | 0.62 | 2.62 | 1.38 | 9.00 | 2.27 |
| ¾ | 0.75 | 4.62 | 0.62 | 1.88 | 4 | 0.75 | 3.25 | 1.69 | 9.00 | 3.63 |
| 1 | 1.00 | 4.88 | 0.69 | 2.12 | 4 | 0.75 | 3.50 | 2.00 | 9.00 | 4.08 |
| 1 ¼ | 1.25 | 5.25 | 0.81 | 2.50 | 4 | 0.75 | 3.88 | 2.50 | 9.00 | 5.09 |
| 1 ½ | 1.50 | 6.12 | 0.88 | 2.75 | 4 | 0.88 | 4.50 | 2.88 | 9.00 | 7.26 |
| 2 | 2.00 | 6.50 | 1.00 | 3.31 | 8 | 0.75 | 5.00 | 3.63 | 9.00 | 9.08 |
| 2 ½ | 2.50 | 7.50 | 1.12 | 3.94 | 8 | 0.88 | 5.88 | 4.13 | 9.00 | 12.25 |
| 3 | 3.00 | 8.25 | 1.25 | 4.62 | 8 | 0.88 | 6.62 | 5.00 | 9.00 | 16.34 |
| 4 | 4.00 | 10.75 | 1.50 | 6.00 | 8 | 1.00 | 8.50 | 6.19 | 12.00 | 34.95 |
| 5 | 5.00 | 13.00 | 1.75 | 7.50 | 8 | 1.12 | 10.50 | 7.31 | 12.00 | 55.84 |
| 6 | 6.00 | 14.00 | 1.88 | 8.75 | 12 | 0.88 | 11.50 | 9.50 | 12.00 | 69.08 |
| 8 | 8.00 | 16.50 | 2.19 | 10.75 | 12 | 1.25 | 13.75 | 10.63 | 12.00 | 93.97 |
| 10 | 10.00 | 20.00 | 2.50 | 13.50 | 16 | 1.38 | 17.00 | 12.75 | 12.00 | 147.09 |
| 12 | 12.00 | 22.00 | 2.62 | 15.75 | 20 | 1.38 | 19.25 | 15.00 | 12.00 | 178.42 |
| 14 | 14.00 | 23.75 | 2.75 | 17.00 | 20 | 1.50 | 20.75 | 16.25 | 16.00 | 213.83 |
| 16 | 16.00 | 27.00 | 3.00 | 19.50 | 20 | 1.62 | 23.75 | 18.50 | 16.00 | 289.65 |
| 18 | 18.00 | 29.25 | 3.25 | 21.50 | 20 | 1.75 | 25.75 | 21.00 | 16.00 | 331.42 |
| 20 | 20.00 | 32.00 | 3.50 | 24.00 | 24 | 1.75 | 28.50 | 23.00 | 16.00 | 415.86 |
| 24 | 24.00 | 37.00 | 4.00 | 28.25 | 24 | 2.00 | 33.00 | 27.25 | 16.00 | 549.34 |
Klasa 900
| NPS | Dosadan | Osu | Thk | Osu | Ne. Rupa | Veličina rupe | Krug | Podignuto lice Dia. | Dužina | Težina |
| (in) | B (in) | O (u) | Kositar) | D (in) | (Rupe) | D (in) | C (in) | R (in) | L (in) | (KILO)- |
| ½ | 0.50 | 4.75 | 0.88 | 1.56 | 4 | 0.88 | 3.25 | 1.38 | 9.00 | 3.63 |
| ¾ | 0.75 | 5.12 | 1.00 | 1.81 | 4 | 0.88 | 3.50 | 1.69 | 9.00 | 4.54 |
| 1 | 1.00 | 5.88 | 1.12 | 2.12 | 4 | 1.00 | 4.00 | 2.00 | 9.00 | 5.09 |
| 1 ¼ | 1.25 | 6.25 | 1.112 | 2.50 | 4 | 1.00 | 4.38 | 2.50 | 9.00 | 7.71 |
| 1 ½ | 1.50 | 7.00 | 1.25 | 2.75 | 4 | 1.12 | 4.88 | 2.88 | 9.00 | 9.53 |
| 2 | 2.00 | 8.50 | 1.50 | 4.12 | 8 | 1.00 | 6.50 | 3.63 | 9.00 | 19.06 |
| 2 ½ | 2.50 | 9.62 | 1.62 | 4.88 | 8 | 1.12 | 7.50 | 4.13 | 9.00 | 23.15 |
| 3 | 3.00 | 9.50 | 1.50 | 5.00 | 8 | 1.00 | 7.50 | 5.00 | 9.00 | 25.42 |
| 4 | 4.00 | 11.50 | 1.75 | 6.25 | 8 | 1.25 | 9.25 | 6.19 | 12.00 | 42.22 |
| 5 | 5.00 | 13.75 | 2.00 | 7.50 | 8 | 1.38 | 11.00 | 7.31 | 12.00 | 61.29 |
| 6 | 6.00 | 15.00 | 2.19 | 9.25 | 12 | 1.25 | 12.50 | 8.50 | 12.00 | 86.71 |
| 8 | 8.00 | 18.50 | 2.50 | 11.75 | 12 | 1.50 | 15.50 | 10.63 | 12.00 | 134.83 |
| 10 | 10.00 | 21.50 | 2.75 | 14.50 | 16 | 1.50 | 18.50 | 12.75 | 12.00 | 191.58 |
| 12 | 12.00 | 24.00 | 3.12 | 16.50 | 20 | 1.50 | 21.00 | 15.00 | 12.00 | 235.17 |
| 14 | 14.00 | 25.25 | 3.38 | 17.75 | 20 | 1.62 | 22.00 | 16.25 | 16.00 | 283.29 |
| 16 | 16.00 | 27.75 | 3.50 | 20.00 | 20 | 1.75 | 24.25 | 18.50 | 16.00 | 340.50 |
| 18 | 18.00 | 31.00 | 4.00 | 22.25 | 20 | 2.00 | 27.00 | 21.00 | 16.00 | 413.30 |
| 20 | 20.00 | 33.75 | 4.25 | 24.50 | 20 | 2.12 | 29.50 | 23.00 | 16.00 | 508.93 |
| 24 | 24.00 | 41.00 | 5.50 | 29.50 | 20 | 2.621 | 35.50 | 27.25 | 16.00 | 846.71 |
Klasa 1500
| NPS | Dosadan | Osu | Thk | Osu | Ne. Rupa | Veličina rupe | Krug | Podignuto lice Dia. | Dužina | Težina |
| (in) | B (in) | O (u) | Kositar) | D (in) | (Rupe) | D (in) | C (in) | R (in) | L (in) | (KILO)- |
| ½ | 0.50 | 4.75 | 0.88 | 1.56 | 4 | 0.88 | 3.25 | 1.38 | 9.00 | 3.63 |
| ¾ | 0.75 | 5.12 | 1.00 | 1.81 | 4 | 0.88 | 3.50 | 1.69 | 9.00 | 4.54 |
| 1 | 1.00 | 5.88 | 1.12 | 2.12 | 4 | 1.00 | 4.00 | 2.00 | 9.00 | 5.09 |
| 1 ¼ | 1.25 | 6.25 | 1.12 | 2.50 | 4 | 1.00 | 4.38 | 2.50 | 9.00 | 7.71 |
| 1 ½ | 1.50 | 7.00 | 1.25 | 2.75 | 4 | 1.12 | 4.88 | 2.88 | 9.00 | 9.53 |
| 2 | 2.00 | 9.50 | 1.50 | 4.12 | 8 | 1.00 | 6.50 | 3.63 | 9.00 | 19.06 |
| 2 ½ | 2.50 | 9.62 | 1.62 | 4.88 | 8 | 1.12 | 7.50 | 4.13 | 9.00 | 25.42 |
| 3 | 3.00 | 10.50 | 1.88 | 5.25 | 8 | 1.25 | 8.00 | 5.00 | 9.00 | 30.41 |
| 4 | 4.00 | 12.25 | 2.12 | 6.38 | 8 | 1.38 | 9.50 | 6.19 | 12.00 | 49.94 |
| 5 | 5.00 | 14.75 | 2.88 | 7.75 | 8 | 1.62 | 11.50 | 7.31 | 12.00 | 82.17 |
| 6 | 6.00 | 15.50 | 3.25 | 9.00 | 12 | 1.50 | 12.50 | 8.50 | 12.00 | 97.61 |
| 8 | 8.00 | 19.00 | 3.62 | 11.50 | 12 | 1.75 | 15.50 | 10.63 | 12.00 | 152.99 |
| 10 | 10.00 | 23.00 | 4.25 | 14.50 | 12 | 2.00 | 19.00 | 12.75 | 12.00 | 247.88 |
| 12 | 12.00 | 26.50 | 4.88 | 17.75 | 16 | 2.12 | 22.50 | 15.00 | 12.00 | 429.48 |
| 14 | 14.00 | 29.50 | 5.25 | 19.50 | 16 | 2.38 | 25.00 | 16.25 | 16.00 | 506.66 |
| 16 | 16.00 | 32.50 | 5.75 | 21.75 | 16 | 2.62 | 27.75 | 18.50 | 16.00 | 622.43 |
| 18 | 18.00 | 36.00 | 6.38 | 23.50 | 16 | 2.88 | 30.50 | 21.00 | 16.00 | 759.99 |
| 20 | 20.00 | 38.75 | 7.00 | 25.25 | 16 | 3.12 | 32.75 | 23.00 | 16.00 | 882.12 |
| 24 | 24.00 | 46.00 | 8.00 | 30.00 | 16 | 3.62 | 39.00 | 27.25 | 16.00 | 1332.94 |
Klasa 2500
| NPS | Dosadan | Osu | Thk | Osu | Ne. Rupa | Veličina rupe | Krug | Podignuto lice Dia. | Dužina | Težina |
| (in) | B (in) | O (u) | Kositar) | D (in) | (Rupe) | D (in) | C (in) | R (in) | L (in) | (KILO)- |
| ½ | 0.50 | 5.25 | 1.19 | 1.81 | 4 | 0.88 | 3.50 | 1.38 | 9.00 | 4.99 |
| ¾ | 0.75 | 5.50 | 1.25 | 2.06 | 4 | 0.88 | 3.75 | 1.69 | 9.00 | 5.90 |
| 1 | 1.00 | 6.25 | 1.38 | 2.25 | 4 | 1.00 | 4.25 | 2.00 | 9.00 | 8.17 |
| 1 ¼ | 1.25 | 7.25 | 1.50 | 2.88 | 4 | 1.12 | 5.12 | 2.50 | 9.00 | 12.25 |
| 1 ½ | 1.50 | 8.00 | 1.75 | 3.12 | 4 | 1.25 | 5.75 | 2.88 | 9.00 | 14.98 |
| 2 | 2.00 | 9.25 | 2.00 | 3.75 | 8 | 1.12 | 6.75 | 3.63 | 9.00 | 21.72 |
| 2 ½ | 2.50 | 10.50 | 2.25 | 4.50 | 8 | 1.25 | 7.75 | 4.13 | 9.00 | 29.96 |
| 3 | 3.00 | 12.00 | 2.62 | 5.25 | 8 | 1.38 | 9.00 | 5.00 | 9.00 | 44.03 |
| 4 | 4.00 | 14.00 | 3.00 | 6.50 | 8 | 1.62 | 10.75 | 6.19 | 12.00 | 72.18 |
| 5 | 5.00 | 16.50 | 3.62 | 8.00 | 8 | 1.88 | 12.75 | 7.31 | 12.00 | 112.59 |
| 6 | 6.00 | 19.00 | 4.25 | 9.25 | 8 | 2.12 | 14.50 | 8.50 | 12.00 | 162.53 |
| 8 | 8.00 | 21.75 | 5.00 | 12.00 | 12 | 2.12 | 17.25 | 10.63 | 16.00 | 267.40 |
| 10 | 10.00 | 26.50 | 6.50 | 14.75 | 12 | 2.62 | 21.25 | 12.75 | 16.00 | 452.63 |
| 12 | 12.00 | 30.00 | 7.25 | 17.38 | 12 | 2.88 | 24.38 | 15.00 | 16.00 | 618.80 |
Osnovan 2007. godine i preselio se u Zonu ekonomskog razvoja Longyou, provinciju Zhejiang, 2022. godine pokriva površinu od 130 000 četvornih metara, više od 30 proizvodnih linija, 300 radnika, 20 ljudi za istraživanje i razvoj, 30 inspekcijskih ljudi i godišnju proizvodnju od 50 000 tona.
Prošao je ISO9001: 2008 sustav upravljanja kvalitetom, PED 97/23/EC EU Certification Certification Certification, Kina posebna oprema za proizvodnju (tlak cijev) TS Certifikacija, certifikat ASME, sustav upravljanja standardizacijom pokrajinskih poduzeća, ISO14000: 2004 Upravljanje okolišem, čistim proizvođačem (Aps As As Certiss As Certiss of Centiss of Centiss, a i niz certifikata o certifikatu, i niz certifikata o cilju, ass i cirjs. Dostava (LR), Deutsche Veritas (GL), Bureau Veritas Society (BV), Det Norske Veritas (DNV) i Korejski registar otpreme (KR) tvornički certifikat.
Glavni proizvodi uključuju cijevi od nehrđajućeg čelika, cijevi za cijev, prirubnice, ventile itd., Koji se široko koriste u nafti, kemijskoj industriji, nuklearnoj industriji, topljenju, brodogradnji, farmaceutskim proizvodima, hrani, očuvanju vode, električnom energijom, novom energijom, mehaničkom opremom i drugim poljima. Tvrtka se pridržava korporativnog načela "Kvaliteta za preživljavanje, reputaciju razvoja" i svesrdno služi svakom kupcu kako bi stvorio situaciju s win-win.





Uvod u legirani čelik Legirani čelik je vrsta čelika koja se proizvodi kombinacijom ugljičnog čelika s raznim legirajućim elementima kao što su krom, nikal, molibden i vanadij. Ovi legirajući el...
Pogledajte višeMasena gustoća mekog čelika: osnove i praktična važnost Masena gustoća mekog čelika temeljno je svojstvo koje izravno utječe na to kako inženjeri i dizajneri dimenzioniraju komponente, procjenju...
Pogledajte višeUvod u niskolegirani čelični materijal Niskolegirani čelični materijal je vrsta čelika koji uz ugljik sadrži mali postotak legirajućih elemenata, obično manji od 8%. Ovi elementi, kao što su kro...
Pogledajte višeNikada nećemo podijeliti vašu adresu e -pošte i vas
Možemo se isključiti u bilo kojem trenutku, obećavamo.